- 產品概述
- 選型參數
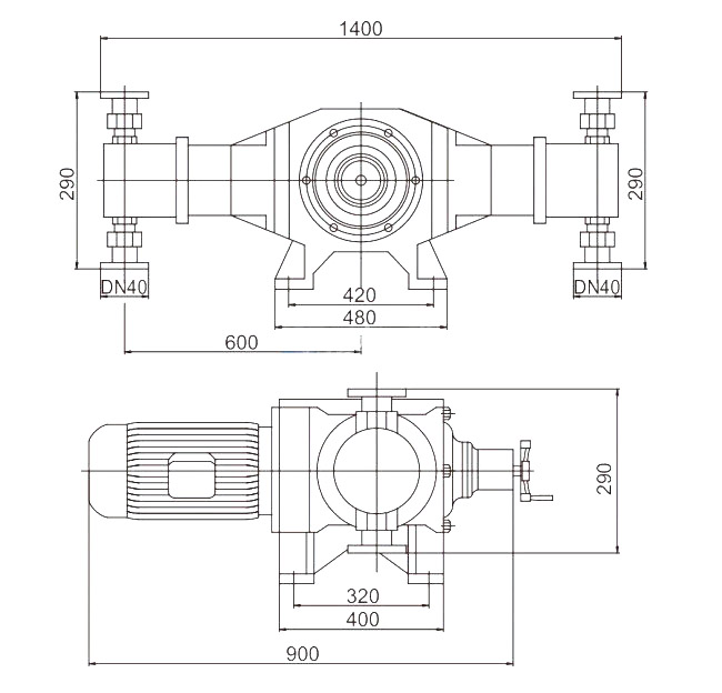
- 安裝尺寸
- 應用領域
一、DZ-T2型柱塞式計量泵產品概述:
產品介紹
流量范圍: 0-28600 L/H
壓力范圍: 0-50 Mpa
驅動系統:兩相、三相電機或防爆電機
流量控制:手動控制,自動控制
防護等級: IP55,IP54
材料
泵頭:SUS304,SUS316,SUS304+PTFE,SUS316+PTFE
隔膜:PTFE
單向閥:SUS304,SUS316,PVC,PTEF
閥球:氧化鋯,SUS304,SUS316,陶瓷,二氧化硅
工作條件
環境溫度:-30℃--- 90℃
二、DZ-T2型柱塞式計量泵產品原理:
1. 通過柱塞的往復運動,直接將工作介質吸入或排出。由于柱塞和密封都直接接觸介質,選擇合造的柱塞材質和密封形式,可保證泵在運轉過程中具有更理想的性能。
2. 柱塞泵頭結構簡單、經濟、計量精度高,需要選擇和維護好密封, 柱塞和密封之間橫向自動對中性,確保兩者之間的磨損小。柱塞的材質有不銹鋼、氧化陶瓷,氧化陶瓷具有耐腐蝕和硬度高耐磨的特點。


- 上一個產品: DZ-T型柱塞式計量泵
- 下一個產品: DY-D2型液壓隔膜式計量泵



























