- 產品概述
- 選型參數
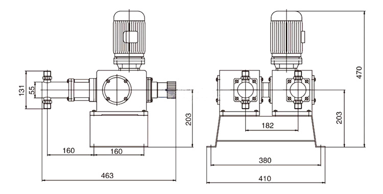
- 安裝尺寸
- 應用領域
一、DZ-X2型柱塞式計量泵產品原理:
1.通過柱塞的往復運動,直接將工作介質吸入或排出。由于柱塞和密封都直接接觸介質,選擇合造的柱塞材質和密封形式,可保證泵在運轉過程中具有更理想的性能。
2.柱塞泵頭結構簡單、經濟、計量精度高,需要選擇和維護好密封, 柱塞和密封之間橫向自動對中性,確保兩者之間的磨損小。柱塞的材質有不銹鋼、氧化陶瓷,氧化陶瓷具有耐腐蝕和硬度高耐磨的特點。
二、DZ-X2型柱塞式計量泵產品概述:
1. 流量范圍: 0-440 L/H
2. 壓力范圍: 0-50 Mpa
3. 計量精度:±1%
4. 介質粘度:0-800 mm2/s
5. 輸送介質溫度:450℃以下
6. 驅動系統:兩相、三相電機或防爆電機
7. 流量控制:手動控制,自動控制
●標配:泵頭PVC 電機380V 50Hz
●選配:泵頭316、防爆電機、變頻電機
電機420V、220V、110V
計量泵產品特點:
1. 操作安全,機械驅動柱塞。
2. 密封性好,無泄漏,裝配維修簡單安全。
3. 它可以傳輸高粘度介質,腐蝕性液體和危險性的化學品。
4.柱塞泵使用的排出壓力范圍比較廣泛,且宜制成高壓泵
5.結構簡單,維修方便,價格具有競爭優勢
6.柱塞直徑很小,通常在6-50mm.
7.使用絕緣,冷卻或加熱泵缸控制介質溫度。
該泵可廣泛用于石油、化工、紡織、食品、造紙、原子能技術、電廠、塑料、制藥、水廠、環保等工業和科技部門。
計量泵參數選型:

- 上一個產品: DZ-X型柱塞式計量泵
- 下一個產品: DZ-Z型柱塞式計量泵



























